安全注意事項
危險和警告
- 本設備只能由專業人士進行安裝。
- 對于因不遵守本手冊的說明而引起的故障,廠家將不承擔任何責任。
觸電、燃燒或爆炸的危險
- 設備只能由有取得及格的工作人員才能進行安裝和維護。
- 對設備進行任何操作前,應隔離電壓輸入和電源供應,并且短路所有電流互感器的二次繞組。
- 要用一個合適的電壓檢測設備來確認電壓已切斷。
- 在將設備通電前,應將所有的機械部件,門和蓋子恢復原位。
- 設備在使用中應提供正確的額定電壓。
?
一.產品簡介
1.2技術指標
1.3工作原理
二、外形說明及安裝
2.1外形及安裝
2.2液晶顯示屏內容
2.3端子接線圖
三、基本功能
3.1電能計量功能
3.2 時鐘
3.3費率和時段
3.4清零
3.5數據存儲
3.6凍結
3.7事件記錄
3.8通訊
3.9?外控輸出
3.10顯示
3.11?測量
3.12?按鍵操作
四、?存儲和運輸
五、保證期限
六、保養和維修注意事項
附錄A 默認顯示項目
一.產品簡介
1.1概述
三相電力監測儀采用了最新設計的專用數字集成電路和超低功耗16位MCU,可以直接準確測量合相正反有功、無功1電量、無功2電量和各分相有功電量。可以進行4種費率、14個時區、14個日時段(8套)、30個節假日及周休日等設置,具有有功最大需量記錄功能,對有功功率、無功功率、電壓、電流、功率因數等用電參數進行實時測量和處理,具有1路RS485、有功脈沖輸出、溫度監控等功能。數據顯示采用寬溫度范圍的大屏幕中文液晶,便于人工抄表記錄。
本產品采用SMT工藝和先進設備制造,嚴格按照ISO9001:2000控制過程工藝和質量。高度集成化設計和防靜電、防雷、瞬變干擾抑制等多種抗干擾設計,關鍵元器件均采用國際知名品牌的低功耗、長壽命器件。抗變形,抗腐蝕,抗老化,絕緣和密封性能良好。
該表性能指標符合DL/T 614–2007,GB/T17215.301-2007標準中對多功能電能表的各項技術要求,通信規約符合DL/T645–2007協議及其備案文件。
1.2技術指標?
| 類??別 |
參比電壓Un
(V) |
最大電流Imax
(A) |
有功脈沖常數(imp/kWh) |
無功脈沖常數(imp/kvarh) |
| 三相三線 |
3×100 |
6 |
20000 |
20000 |
| 三相四線 |
3×57.7/100 |
6 |
20000 |
20000 |
| ?3×220/380 |
6 |
10000 |
10000 |
- 精度等級??有功5級????無功2級
- 參比電壓3×100V (三相三線) , ?3×57.7/100V ?3×220/380V (三相四線)
- 額定電流?3×1.5(6)A
- 額定頻率50Hz
- 起動電流001In(1級) ???無功?0.005In (2級)
- 潛動?具有防潛動邏輯設計
- 外型尺寸?96mm×96mm×97mm??(安裝開孔尺寸92mm*92mm)
- 重量?約1kg
- 電氣參數
| 正常工作電壓 |
0.8Un~1.1Un |
| 極限工作電壓 |
0.75Un~1.20Un |
| 電壓線路功耗 |
≤1W |
| 正常工作溫度 |
-25℃~+55℃ |
| 極限工作溫度 |
-30℃~+60℃ |
| 存貯和運輸溫度 |
-40℃~+70℃ |
| 存儲和工作濕度 |
≤85% |
| 費率數 |
4 |
| 時段數 |
14 |
| 顯示 |
LCD |
| 通訊波特率 |
RS485: ??1200bps、2400bps、4800bps、9600bps |
| 通訊規約 |
DL/T645–2007/Modbus |
?
1.3工作原理
三相電力監測儀是由測量單元和數據處理單元等組成,除計量有功、無功電能量外,還具有分時費率、測量需量等功能,并能顯示、存儲和輸出數據的電能表。功能原理如下圖所示
注:*表示可選
電能表工作時,電壓、電流經取樣電路分別取樣后,送入專用電能芯片進行處理,并轉化為數字信號送到CPU進行計算。由于采用了專用的電能處理芯片,使得電壓電流采樣分辨率大為提高,且有足夠的時間來更加精確的測量電能數據,從而使電能表的計量準確度有了顯著改善。
圖中CPU用于分時計費和處理各種輸入輸出數據,通過串行接口將專用電能芯片的數據讀出,并根據預先設定的時段完成分時有功電能計量。根據需要顯示各項數據、通過485接口進行通訊傳輸,并完成運行參數的監測,記錄存儲各種數據。
二、外形說明及安裝
2.1外形及安裝
電能表安裝在室內通風干燥的地方,確保安裝使用安全、可靠,在有污穢或可能損壞電能表的場所,電能表應用保護柜保護。

2.2液晶顯示屏內容

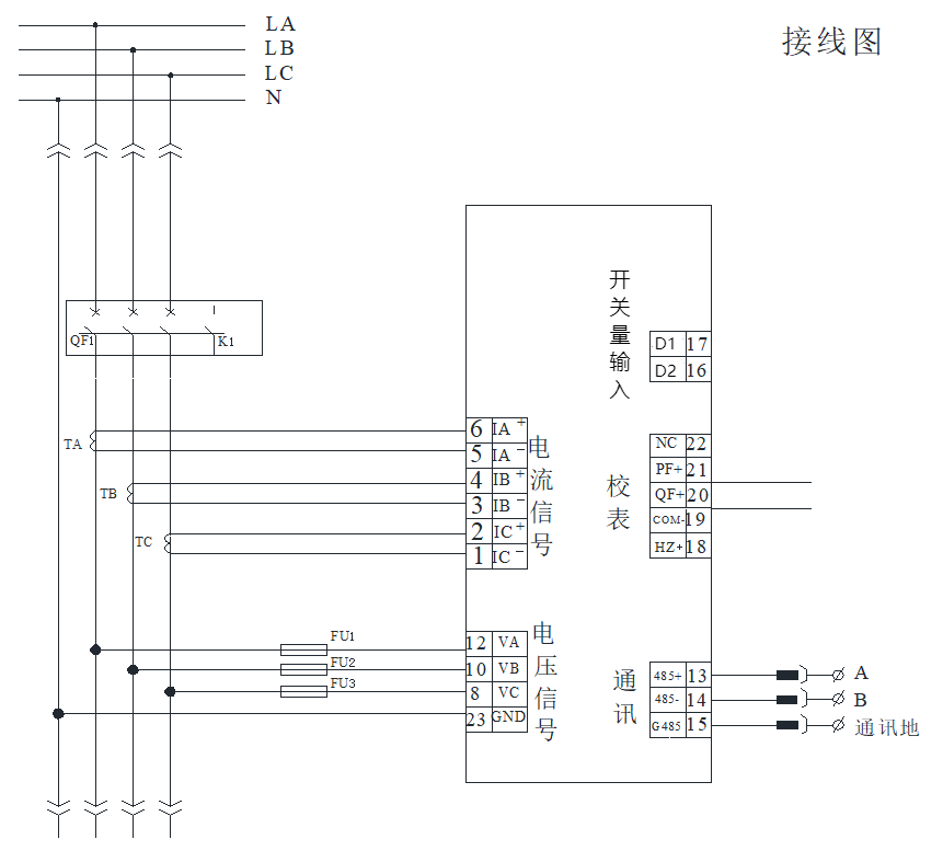
2.3儀表強電端子和弱電功能端子接線圖
- 三相四線3×220/380V ,經電流互感器的儀表主端子和功能端子接線圖如下:

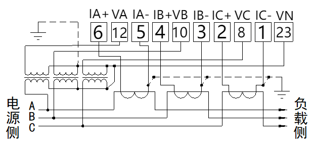
- 三相四線3×57.7/100V ,經電壓、電流互感器的推薦接線圖如下:(通訊等功能端子同上)

- 三相三線3×100V ,經電壓、電流互感器的推薦接線圖如下:(通訊等功能端子同上)

2.4 脈沖測試口示意圖
三、基本功能
3.1電能計量功能
- 具有合相正反向有功電能量、無功1電能量和無功2電能量計量功能,并可以據此設置組合有功模式字。
- 合相各電能量具有分時計量功能,各種電能量對應的尖、峰、平、谷費率電能量及總電能量分別獨立進行累計、存儲。
- 具有計量各分相有功電能量功能,分相電能量不支持分時計量功能。
- 可通過組合模式字設置組合有功。組合能量的范圍是-799999.99KWh到+799999.99KWh。
- 支持12次能量結算凍結數據。
3.2?時鐘
- 采用具有溫度補償功能的內置硬件時鐘電路;在-25~+60℃的溫度范圍內:時鐘準確度應 ≤ ±1s/d;在參比溫度(23℃)下,時鐘準確度 ≤ ±0.5s/d。
- 時鐘具有日歷、計時、閏年自動轉換功能。
- 使用環保型的鋰電池作為時鐘備用電源;時鐘備用電源在電能表壽命周期內無需更換,斷電后維持內部時鐘正確工作時間累計不少于5年;電池電壓不足時,電能表LCD顯示電池報警符號。
- 日期和時間的設置必須使用硬件編程按鍵和正確的密碼。
- 廣播校時不受密碼和硬件編程開關限制;電能表只接受小于5分鐘的時鐘誤差校時;每日只允許校時一次,不允許在每日0:00前后5分鐘內進行廣播校時。
3.3費率和時段
- 支持尖、峰、平、谷四個費率。
- 全年可設置14個時區;24小時內可以設置14個時段;時段最小間隔為15分鐘,時段可以跨越零點設置。
- 支持節假日和周休日特殊費率時段的設置,最多支持30個節假日。
- 具有兩套可以任意編程的費率和時段,并可在設定的時間點起用另一套費率和時段。
3.4清零
3.5.1電表清零
- 可以清除電能表內存儲的電能量、凍結量、事件記錄等數據。
- 電量清零必須使用硬件編程鍵。
- 電能表底度值只能清零,禁止設定。
3.5數據存儲
- 能存儲上12個結算日的單向或雙向總電能和各費率電能數據;數據轉存分界時刻為月末的24時(月初零時),或在每月的1號至28號內的整點時刻。
- 能存儲上12個結算日的單向或雙向、各費率最大需量及其出現的日期和時間數據;數據轉存分界時刻為月末的24時(月初零時),或在每月的1號至28號內的整點時刻;月末轉存的同時,當月的最大需量值應自動復零。
- 在電能表電源斷電的情況下,所有與結算有關的數據至少保存10年,其它數據至少保存3年。
- 支持上電補凍,最多補12個。
3.6凍結
- 定時凍結:按照約定的時刻及時間間隔凍結電能量和重要測量量數據;每個凍結量可保存60次。
- 瞬時凍結:在非正常情況下,凍結當前的日歷、時間、所有電能量和重要測量量的數據;瞬時凍結量可保存最后3次的數據。
- 日凍結:存儲設定的日凍結時間點的電能量和重要測量量數據,可存儲62次數據。
- 約定凍結:在兩套時區表/兩套時段表切換時或電力公司認為有特殊需要時,凍結切換時刻的電能量以及其他重要數據。可存儲2次。
- 整點凍結功能:能存儲254條整點凍結數據。
3.7事件記錄
- 可記錄校時總次數(不包含廣播校時),以及最近10次校時的時刻、操作者代碼。
- 可記錄各相過流總次數、總時間,最近10次過負荷的持續時間。
- 可記錄過溫總次數、最近10次過溫的記錄。
- 永久記錄電能表清零事件的發生時刻及清零時的電能量數據。
- 事件記錄可通過事件記錄清零命令進行清零。
- 可記錄掉電總次數,以及10次掉電的時間。
3.8通訊
RS485通信遵循DL/T 645—2007協議及其備案文件。
- RS485接口與電能表內部電路實行電氣隔離,并有失效保護電路。
- RS485接口滿足DL/T 645—2007電氣要求,并能耐受交流電壓380V、2分鐘不損壞。
- RS485接口的通訊速率可設,設置范圍:1200bps 、2400bps 、4800bps、9600bps。
3.9?外控輸出 (可選)
- a) 支持外控繼電器跳閘、合閘操作。
3.10顯示
寬溫型LCD顯示;有功電能脈沖、無功電能脈沖、報警、相序、失壓、當前費率LED指示
當發生接線錯誤時, 液晶上“逆相序”字符會閃爍, 如果發生電壓接線錯誤,液晶上”UaUbUc”字符會閃爍, 如果發生電流接線錯誤, 液晶上”IaIbIc”字符會閃爍.
3.11?測量
- 可測量總及各分相有功功率、無功功率、功率因數、分相電壓、分相電流、頻率等運行參數。
- 測量誤差(引用誤差)不超過±1%。
3.12?按鍵操作
可設置項:電壓變比、電流變比、通訊協議。
上翻按鍵、下翻按鍵、設置按鍵、返回按鍵
四、?存儲和運輸
產品在運輸和拆封時不應受到劇烈沖擊,并根據GB/T13384-2008《機電產品包裝通用技術條件》規定運輸和存貯。
庫存和保管應在原包裝條件下存放在支架上,疊放高度不應超過8層。
保存的地方應清潔,其環境溫度應為0~40℃,相對濕度不超過85%,且在空氣中不含有足以引起腐蝕的有害物質。
五、保證期限
電能表自發貨日起18個月內,在用戶遵守說明書規定要求,且制造廠鉛封仍完整的條件下,若有質量問題,我公司負責免費修理或更換。18個月后,公司保證提供售后服務。
六、保養和維修注意事項
- 本產品為全電子式電能表,內部無用戶可調部件。
- 本產品在出廠前經檢驗合格,并加鉛封,電力部門只需將接線端蓋卸下后,按蓋內接線圖接線即可。接好線后蓋上端子蓋并加鉛封。
- 接線時應注意電能表的標稱電壓、標稱電流和制式。切不可超過標稱電壓或標稱電流以免燒壞電能表,不同制式的電能表不可混用。
- 接入電能表的導線截面積應滿足負載電流要求,避免因接觸不良或進線太細而引起發熱損壞電能表。建議使用銅線或銅接頭引入。另外接線必需接牢。
- 接線時,應注意不要將進出線接錯。電能表應垂直安裝。
- 為了操作人員的安全,接線時必須切斷電源。
附錄A 默認顯示項目
電能表默認自動循環顯示項目列表
| 序號 |
顯??示??項??目 |
數據顯示格式 |
備注 |
| 1 |
當前組合有功總電量 |
XXXXXX.XX kWh |
|
| 2 |
當前剩余金額 |
??XXXXXX.XX |
剩余金額 |
默認按鍵循環顯示列表
| 序號 |
顯??示??項??目 |
數據顯示格式 |
備注 |
| 1 |
當前組合有功總電量 |
XXXXXX.XX kWh |
|
| 2 |
當前剩余金額 |
??XXXXXX.XX |
剩余金額 |
| 3 |
當前電價 |
Pr XX.XXXX |
???當前電價 |
| 4 |
A相電壓 |
XXX.X V |
|
| 5 |
B相電壓 |
XXX.X V |
|
| 6 |
C相電壓 |
XXX.X V |
|
| 7 |
A相電流 |
XX.XXX A |
|
| 8 |
B相電流 |
XX.XXX A |
|
| 9 |
C相電流 |
XX.XXX A |
|
| 10 |
瞬時總有功功率 |
XX.XXX kW |
|
| 11 |
瞬時A相有功功率 |
XX.XXX kW |
|
| 12 |
瞬時B相有功功率 |
XX.XXX kW |
|
| 13 |
瞬時B相有功功率 |
XX.XXX kW |
|
| 14 |
總有功功率因素 |
X.XXX |
|
| 15 |
A相功率因素 |
X.XXX |
|
| 16 |
B相功率因素 |
X.XXX |
|
| 17 |
C相功率因素 |
X.XXX |
|
| 18 |
瞬時總無功功率 |
XX.XXX kvar |
|
| 19 |
通信地址高4位 |
XXXX |
|
| 20 |
通信地址第8位 |
XXXXXXXX |
|
| 21 |
當前日期 |
XX.XX.XX |
|
| 22 |
當前時間 |
XX:XX:XX |
|
| 23 |
當前A相有功總電量 |
XXXXXX.XX kWh |
|
| 24 |
當前B相有功總電量 |
XXXXXX.XX kWh |
|
| 25 |
當前C相有功總電量 |
XXXXXX.XX kWh |
|
| 26 |
當前無功1電量 |
XXXXXX.XX kvarh |
|
| 27 |
當前無功2電量 |
XXXXXX.XX kvarh |
|
| 28 |
當前組合有功尖電量 |
XXXXXX.XX kWh |
|
| 29 |
當前組合有功峰電量 |
XXXXXX.XX kWh |
|
| 30 |
當前組合有功平電量 |
XXXXXX.XX kWh |
|
| 31 |
當前組合有功谷電量 |
XXXXXX.XX kWh |
|